智能电磁91香蕉污在线观看管道安装要求
1、为了电磁91香蕉污在线观看的安装、维护、保养方便,电磁91香蕉污在线观看周围需保留足够的空间
2、避免电磁91香蕉污在线观看安装在温度变化很大或受到设备高温辐射的场所
3、91香蕉污在线观看应安装在室内,如安装在室外,应避免阳光直射,必要时请安装防晒防水装置
4、避免91香蕉污在线观看安装在含有腐蚀性气体的环境中
5、避免91香蕉污在线观看安装在有强振动源、强磁场的场所
6、 上、下游工艺管的内径与91香蕉污在线观看的内径应满足:0.98DN≤D≤1.05DN(DN:91香蕉污在线观看内径;D:工艺管内径)
7、工艺管与91香蕉污在线观看需同心,同轴偏差不大于0.05DN
泵的安装如图
阀的安装
弯曲管道上91香蕉污在线观看的安装
智能电磁91香蕉污在线观看敞口排放前安装
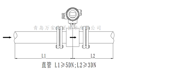
直管段要求
1、水平管道上安装智能电磁91香蕉污在线观看直管段要求
2、有弯头管道对电磁91香蕉污在线观看安装要求
3、缩颈管道对电磁91香蕉污在线观看安装直管段的要求
4、扩径管道对电磁91香蕉污在线观看安装直管段的要求
5、泵下游安装电磁91香蕉污在线观看对直管段的要求
关键词描述:防爆电磁91香蕉污在线观看,国产电磁91香蕉污在线观看,污水电磁91香蕉污在线观看,进口电磁91香蕉污在线观看,智能电磁91香蕉污在线观看,分体式电磁91香蕉污在线观看,一体式电磁91香蕉污在线观看,高压电磁91香蕉污在线观看,电磁91香蕉污在线观看厂家,电磁91香蕉污在线观看安装,电磁91香蕉污在线观看价格,插入式电磁91香蕉污在线观看,电磁91香蕉污在线观看工作原理
青岛香蕉视频免费看电子技术有限公司主营产品:涡街91香蕉污在线观看,电磁91香蕉污在线观看,涡轮91香蕉污在线观看,预付费91香蕉污在线观看,IC卡预付费91香蕉污在线观看,蒸汽预付费,热水预付费,IC卡刷卡充值设备,显示仪表,热量表,差压式仪表,分析仪器,水质监测设备,压力仪表等,以及承接电气自动化项目。欢迎来电咨询。
热线电话:0532-67731362 /0532-67731361