气体91香蕉污在线观看
液体91香蕉污在线观看
气体液体91香蕉污在线观看
分析仪器
水质检测设备
控制系统集成
数字显示仪表
压力仪表
电气自动化设计
液位计
热量表
温度仪表
云平台
工业炉

产品中心

您的位置: 首页 - 产品中心  -   >  -  气体91香蕉污在线观看

丙烷气体91香蕉污在线观看

丙烷气体91香蕉污在线观看,测量丙烷可以使用气体涡轮91香蕉污在线观看,旋进旋涡91香蕉污在线观看91香蕉污在线观看,气体罗茨91香蕉污在线观看,

产品介绍

丙烷气体91香蕉污在线观看,测量丙烷可以使用气体涡轮91香蕉污在线观看,旋进旋涡91香蕉污在线观看91香蕉污在线观看,气体罗茨91香蕉污在线观看,

下边分别介绍这三款91香蕉污在线观看

WF-LWQ-C气体涡轮91香蕉污在线观看

概述

WF-LWQ-C气体涡轮91香蕉污在线观看是一种新型的速度式仪表。它具有精度高,重复性好,结构简单,耐高压,体积小,重量轻,压力损失小,操作简单,维修方便等优点,温压补偿仪表可集流量,温度,压力检测功能于一体,并能进行温度,压力,压缩因子自动补偿。是石油,化工,电力,工业锅炉等工业,行业的燃气计量和城市天然气,燃气调压站封闭管道低粘度气体的体积流量和总量及燃气热计量的理想气体流量检测仪表。

WF-LWQ-C气体涡轮91香蕉污在线观看性能指标

涡轮流量传感器

电源

性能指标


DC24V

无现场显示功能,仅将流量信号转变为工况脉冲信号远传输出。适合用于与二次仪表,PLC,DCS系统等计算机控制系统配合使用。


气体涡轮流量变送器

DC24V

无现场显示功能,仅将流量信号转变为两线制电流信号(4-20Ma)远传输出。适合用于与二次仪表,PLC,DCS系统等计算机控制系统配合使用。


现场显示气体涡轮91香蕉污在线观看

DC3.6V锂电池

显示积算一体化的新型智能仪表。结构紧凑,读数直管,可靠性高,不受外界电源干扰,抗雷击,价格低廉。液晶显示瞬时流量和累积流量。仪表仅仅有现场显示功能,无信号输出。

智能型气体涡轮91香蕉污在线观看

DC24V

显示积算一体化的新型智能仪表。结构紧凑,读数直管,可靠性高,不受外界电源干扰,抗雷击,价格低廉。液晶显示瞬时流量和累积流量。所仪表有现场显示功能,有信号输出,可以与二次仪表,PLC,DCS系统等计算机控制系统配合使用。

温压补偿型(方形表头,圆形表头)气体涡轮91香蕉污在线观看

DC24V,DC3.6V锂电池双供电

该类仪表属于温度压力补偿一体化的新型智能仪表。采用液晶显示,对比度高,功耗低。多种电信号输出模式可选,工况、标况测量模式可选,多路报警设置,可进行定量控制。还有基于RS485接口的MODBUS协议通讯功能。


气体涡轮91香蕉污在线观看量程范围

公称通径

(mm)

型号

标准量程

(m³/h)

扩展量程

(m³/h)

常规耐压等级(Mpa)

特质高压等级

(Mpa)

安装方式

DN25

LWQ-C-25

S

2.5-25

W

4-40

1.6

2.5,4.0

法兰(螺纹)

DN40

LWQ-C-40

S

5-50

W

6-60

1.6

2.5,4.0

法兰(螺纹)

DN50

LWQ-C-50

S1

6-65

W1

5-70

1.6

2.5,4.0

法兰

S2

10-100

W2

8-100

1.6

2.5,4.0

DN65

LWQ-C-65

S

15-200

W

10-200

1.6

2.5,4.0

法兰

DN80

LWQ-C-80

S1

13-250

W


10-160

1.6

2.5,4.0

法兰

S2

20-400

DN100

LWQ-C-100

S1

20-400


W

13-250

1.6

2.5

法兰

S2

32-650

DN125

LWQ-C-125

S

25-700

W

20-800

1.6

2.5

法兰

DN150

LWQ-C-150

S1

32-650


W

80-1600

1.6

2.5

法兰

S2

50-1000

DN200

LWQ-C-200

S1

80-1600


W

50-1000

1.6


法兰

S2

130-2500


DN250

LWQ-C-250

S1

130-2500


W

80-1600

1.6


法兰

S2

200-4000


DN300

LWQ-C-300

S

200-4000

W1

130-2500

1.6


法兰

W2

320-6500

1.6


气体涡轮91香蕉污在线观看安装尺寸

公称通径(mm)

法兰连接

仪表长度L1(mm)

法兰外径D(mm)

螺栓孔距K(mm)

螺栓孔距D(mm)

N(孔数)

螺栓规格

25

170

115

85

4

14

M12*50

40

200

150

110

4

18

M16*55

50

200

165

125

4

18

M16*60

65

240

185

145

4

18

M16*65

80

240

200

160

8

18

M16*70

100

300

220

180

8

18

M16*80

125

340

250

210

8

18

M16*80

150

450

285

240

8

22

M20*80

200

600

340

295

12

22

M20*90

250

500

403

355

12

26

M24*90

300

500

460

411

12

26

M24*100



WF-LUX旋进旋涡91香蕉污在线观看量程范围:

公称通径DN(mm)

类型

流量范围(m3/ h)

工作压力(MPa)

    精度等级

重复性

25


1.0~30

1.6

2.5

4.0

6.3

1.0

1.5

小于基本误差限绝对值的1/3

32


2.0~60

50

A型

3.0~150

B型

2.5~75

80

A型

20~400

B型

10~200

100

A型

40~800

B型

30~600

150

A型

100~1800

B型

40~900

200


180~3600

1.6;2.5;4.0



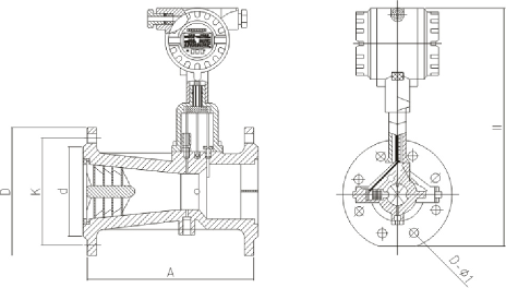
旋进旋涡91香蕉污在线观看尺寸图

91香蕉污在线观看的外形尺寸如图3所示,图中未注尺寸列于表1中,91香蕉污在线观看采用法兰连接方式,法兰尺寸 执行GB/T9112~9113-2000标准。

丙烷气体91香蕉污在线观看(图1)

 

公称 通径 DN

 

流量 计长 A

PN1.6~4.0MPa



 

H

 

D

 

K

 

n

 

L

 

d

 

H

 

D

 

K

 

n

 

L

 

d

 

H

 

D

 

K

 

n

 

L

 

d

 

25

 

200

 

305

 

125

 

85

 

4

 

14

 

65













32

200

320

140

100

4

18

76













50

230

330

165

125

4

18

99













80

330

360

200

160

8

18

132















 

PN1.6MPa

PN2.5~4.0MPa


100

410

376

220

180

8

18

156

390

235

190

8

22

156







150

570

430

285

240

8

22

211

450

300

250

8

26

211









 

PN1.6MPa

 

PN2.5MPa

PN4.0MPa

200

700

470

340

295

12

 

22

 

266

490

 

360

310

 

12

 

26

 

274

 

510

 

375

 

320

 

12

 

30

 

284


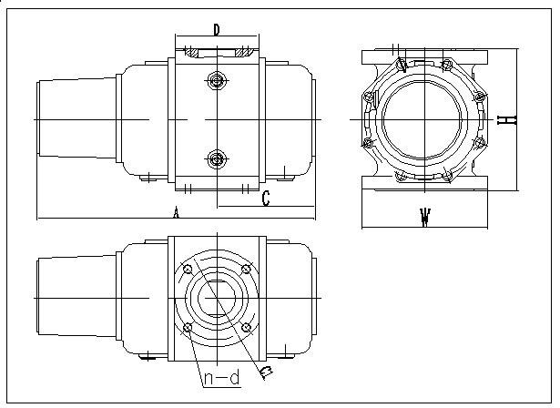
气体罗茨91香蕉污在线观看尺寸图

丙烷气体91香蕉污在线观看(图2)

丙烷气体91香蕉污在线观看(图3)

型号规格

公称通径

DN

A

C

W

H

法兰

(mm)

(mm)

(mm)

(mm)

C1

n-d

LLQ-20

25

235

90

105

128

φ85

4-M12

LLQ-40

40

307

120

105

128

φ110

4-M16

LLQ-60

50

385

140

185

172

φ125

4-M16

LLQ-85

50

420

156

185

172

φ125

4-M16

LLQ-100

80

460

175

185

172

φ160

8-M16

LLQ-150

80

490

190

185

172

φ160

8-M16

LLQ-200

80

485

185

235

246

φ160

8-M16

LLQ-250

100

565

230

235

246

φ180

8-M16

LLQ-300

100

565

230

235

246

φ180

8-M16

LLQ-350

100

565

230

235

246

φ180

8-M16

LLQ-450

100

655

275

235

246

φ180

8-M16

LLQ-600

100

655

275

235

246

φ180

8-M16

LLQ-650

150

640

293

450

380

φ240

8-M20

LLQ-800

150

640

293

450

380

φ240

8-M20

LLQ-1000

150

705

352

450

550

φ240

8-M20

LLQ-1600

200

765

401

450

550

φ295

8-M20


气体罗茨91香蕉污在线观看量程范围


型规格号

公称通径DNmm

量程比

流量范围(m3/h)

始动

流量

m3/h

Qmax

压力损失

Pa

公称

压力

MPa

材质

LLQ-20

25

20:1

1-20

0.07

110

1.6MPa


LLQ-40

40

40:1

1-40

0.06

140

LLQ-60

50

65:1

1-65

0.07

120

LLQ-85

50

70:1

1.2-85

0.07

160

LLQ-100

80

70:1

1.5-100

0.06

170

LLQ-150

80

120:1

1.2-150

0.05

150

LLQ-200

80

70:1

3-200

0.15

180

LLQ-250

100

80:1

3-250

0.16

190

LLQ-300

100

120:1

2.5-300

0.12

200

LLQ-350

100

110:1

3-350

0.15

300

LLQ-450

100

110:1

4-450

0.11

400

LLQ-500

100

125:1

4-500

0.11

500

LLQ-650

150

80:1

8-650

0.65

560

LLQ-800

150

80:1

10-800

0.65

580

LLQ-1000

150

90:1

11-1000

0.8

600

用户可以根据自己需求进行选型。

青岛香蕉视频免费看电子技术有限公司主营产品:涡街91香蕉污在线观看,电磁91香蕉污在线观看,涡轮91香蕉污在线观看,显示仪表,热量表,差压式仪表,分析仪器,水质监测设备,压力仪表等,以及承接电气自动化项目。欢迎来电咨询。

热线电话:0532-67731362  /0532-67731361 

Related products相关产品

RELATED NEWS相关新闻

微信公众号

友情链接: 阿里巴巴涡街91香蕉污在线观看厂家天然气91香蕉污在线观看厂家电磁91香蕉污在线观看厂家定量控制atp荧光检测仪深圳小产权房大益茶价格POS机代理塑料防水接线盒航空插头农药残留检测仪拾起卖广州中央空调安装OHS18001认证机构密室装修公司民用帐篷气动喷浆机地埋式污水处理设备

Copyright © 2020 青岛香蕉视频免费看电子技术有限公司 版权所有 鲁ICP备21328661号 技术支持:华夏商务网

网站地图